Котел КВм 1.25 ЗП РПК в Курске

  • Модель с механическим забросом топлива в топку и полуавтоматическим сбросом золы шлака при помощи поворотных опрокидывающихся колосников
  • Дутье и тяга регулируются шиберами
  • Надежная работа котла обеспечивается изготовлением трубной системы из трубы сталь 10 повышенной прочности
Цена с НДС:
1 550 000 рублей
Цена с НДС на котел КВм 1.25 ЗП РПК с доставкой в
от 1 550 000 рублей
Условия в
В наличии на складе
Доставка ТК по России и Казахстану
Безналичный расчет
Есть в наличии
Можно купить в лизинг
КВм котел с ЗП РПК
Котел КВм с ЗП РПК
Котел КВм с топкой ЗП РПК водогрейный
Водогрейный котел КВм с топкой ЗП РПК
Котел КВм с ЗП РПК промышленный
Промышленный котел КВм с ЗП РПК
КВм котел с ЗП РПК
Котел КВм с топкой ЗП РПК водогрейный
Котел КВм с ЗП РПК промышленный
Видеообзор
Вид топки Механическая, ЗП РПК
Максимальная тепловая мощность 1.25 МВт
Топливо Твердое, Уголь
Отапливаемая площадь от 10400 до 13600 м²
Технические
характеристики
Описание
товара
Комплект
поставки
Дополнительное
оборудование
Монтаж и схемы
подключения
Сертификаты
и гарантии
Подбор
котла

Технические характеристики котла КВм 1.25 ЗП РПК

Тип Котел КВм
Тип отопительного котла Твердотопливный
Бренд HEATEXPERT
Вид топки Механическая, ЗП РПК
Максимальная тепловая мощность 1.25 МВт
Максимальная тепловая мощность 1250 кВт
Максимальная тепловая мощность 1.07 Гкал
Диапазон регулирования мощности 50-100 %
Топливо Твердое, Уголь
Низшая теплота сгорания проектного топлива 5230 кКал/кг
КПД котла на УГЛЕ 80 %
Расход УГЛЯ среднечасовой за отопительный сезон 141.2 кг/ч
Расход УГЛЯ при максимальной нагрузке котла 247 кг/ч
Расход условного топлива 185 кг/ч
Максимальная температура воды на выходе из котла 115 °C
Минимальная температура воды на входе в котел 55 °C
Давление воды, не более 0.3-0.6 (3-6) МПа (кгс/см²)
Номинальный расход теплоносителя 42 м³/ч
Расход теплоносителя через котел min-max 33-55 м³/ч
Гидравлическое сопротивление при номинальном расходе не более 0.07 (0.7) МПа (кгс/cм²)
Аэродинамическое сопротивление 300 (30) Па (мм. вод. ст.)
Разряжение в топочной камере 20-40 (2-4) Па (мм. вод. ст.)
Объем уходящих газов 5350 м³/ч
Температура уходящих газов, не более 220 °C
Тяга Уравновешенная
Водяной объем котла 620 л
Объем топочной камеры 3.76 м³
Активная площадь решетки горения 2.2 м²
Присоединительные размеры по водяному тракту 100 Ду
Присоединительные размеры газохода уходящих газов, ширина*высота / сечение 600х300 / 0.18 мм/м²
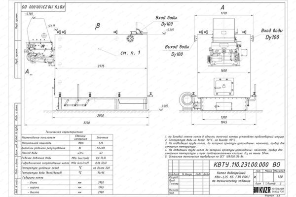
Габаритные размеры блока, длина*ширина*высота 2905х1770х1950 мм
Габаритные размеры установки, длина*ширина*высота 3705х1770х2350 мм
Масса 3100 кг
Вид Водогрейный
Конструкция котла водотрубная, газоплотная
Количество контуров Одноконтурный
Размещение Напольный
Тип камеры сгорания Открытый
Управление Электронное
Принцип работы твердотопливного котла Классический
Энергонезависимый Нет
Тип питания Трехфазное
Встроенный циркуляционный насос Нет
Встроенный расширительный бак Нет
Марка HeatExpert
Отапливаемая площадь от 10400 до 13600 м²
Отапливаемый объем от 31200 до 40800 м³
Энергоэффективность Высокая
Чертеж котла КВм 1.25 с ЗП РПК
Котел КВм 1.25 с ЗП РПК чертеж

Котел КВм 1.25 с ЗП РПК в Курске

Российский котел КВм с топкой ЗП РПК мощностью 1.25 МВт предназначен для отопления и горячего водоснабжения жилых и административных зданий, больших промышленных помещений и производственных предприятий, работает с принудительной циркуляцией теплоносителя в закрытых и в открытых системах теплоснабжения. Котел работает в механизированных котельных с механической подачей топлива и золошлакоудалением.

Промышленный отопительный котел КВм 1.25 с ЗП РПК обеспечивает подогрев воды температурой до 95-115 °С, с рабочим давлением 0,3-0,6 (3,0-6,0) МПа (кгс/см). Площадь отапливаемого помещения 10400 – 13600 м2.

Принцип работы полумеханического котла КВм 1.25 МВт с топкой ЗП РПК

Дымовые газы через окно расположенное на задней стенке топки выходят из топочной камеры. Пройдя две конвективные ступени, дымовые газы выводятся в выходное окно на задней стенке котла. Для очистки конвективных поверхностей нагрева от сажистых и золовых отложений в обшивке котла предусмотрены удобные люки.

Топливо в бункер забрасывателя подает скребковый либо ленточный транспортер топливоподачи. Забрасыватель подает топливо на колосниковую решетку. Нагрузка топки регулируется изменением подачи топлива забрасывателем, а также изменением количества подаваемого воздуха. В топках полностью механизирован заброс топлива на колосниковую решетку.

Шуровка слоя, а также шлакозолоудаление выполняют ручным способом. Топливо сжигается на слоевой топке, под которую вентилятором топки подается воздух для горения. Сброс шлака происходит через проем, образующийся на топке при повороте опрокидывающихся колосников. Удаление шлака из канала шлакоудаления в котельной производится транспортером шлакозолоудаления.

Котельный блок

Водонагревательный котел 1.25 МВт с забрасывателем выполняется из двух блоков – котельный блок и топка.

Котельный блок представляет собой гладкотрубную горизонтальную стальную конструкцию, состоящую из трубной системы и каркаса с теплоизоляционными материалами, обшитого листовой сталью. Топочная часть выполняется из газоплотных водотрубных экранов, а конвективная состоит из сварных конвективных панелей и параллельно установленных в шахматном порядке труб. На фронте котельного блока устанавливаются плита под забрасыватель ЗП и снизу топочная дверка для контроля топочного процесса и обслуживания топки с поворотными колосниками.

Топочная часть

Водогрейный котел КВм 1.25 с топкой ЗП РПК изготавливается с большим объемом топочной камеры, что позволяет полностью прогорать топливу, без выноса золы в конвективную часть и дымовую трубу. Газоплотное исполнение топки исключает утечку дымовых газов в котельный зал. Развитая поверхность нагрева котла, снижает температуру уходящих газов до 200-180 °С, тем самым максимально уменьшая теплопотери. Качественная теплоизоляция исключает присосы холодного воздуха. При помощи поворотных колосников зола и шлак сбрасывается в канал шлакоудаления, тем самым облегчая работу кочегару.

Топка с поворотными колосниками РПК

Топка РПК может быть выполнена с чугунной колосниковой решеткой и водоохлаждаемой беспровальной решеткой.

Поворотная опрокидывающаяся решетка состоит из чугунных колосников, которые крепятся к общему валу отдельными секциями. Очистка топки от шлака осуществляется с помощью наклонной секции, через проем, в канал шлакозолоудаления.

Топка РПК может быть изготовлена с передним, средним, задним рядом опрокидывающихся колосников в зависимости от расположения канала шлакоудаления в отопительной котельной.

Конвективные поверхности нагрева

Трубы в конвективной части располагаются в шахматном порядке. Это обеспечивает более интенсивное и полное омывание труб горячими газами. Газы в конвективной части проходят два хода и выходят через газоход в верхней части задней стенки агрегата.

Промышленный нагревательный котел КВм 1 25 МВт с ЗП РПК имеет развитую конвективную часть, которая снижает температуру уходящих газов из котла до 200 -180 °С. Значительное снижение температуры уходящих газов исключает теплопотери, тем самым обеспечивая значительную экономию топлива.

Конвективную часть можно рассматривать как экономайзер. Гидравлическая схема наших котлов позволяет использовать принцип противотока, передавая тепло уходящих газов теплоносителю.

Трубная система имеет множество перегородок, для увеличения скорости воды в котле и исключения застойных зон и локального перегрева поверхностей нагрева. Кроме того, турбулизация водяного потока препятствует образованию пристенного кипения и отложения накипи на поверхностях нагрева. А многоходовая циркуляция позволяет избежать неравномерного прогрева котла. Твердотопливные водонагревательные котлы 1.25 МВт ЗП РПК работают с принудительной циркуляцией теплоносителя, которую обеспечивает сетевой насос.

Качественная изоляция

Стальной отопительный котел КВм 1,25 МВт с ЗП РПК выполнен со съемной, облегченной изоляцией из плит ПТЭ. Плиты закрепляются на каркасе, обшивка теплоагрегата выполняется из стальных листов. Преимущества легкой изоляции - максимальная монтажная готовность котельного блока, его компактность, минимизация потерь КПД котла через потери тепла в окружающую среду, за счет высокого качества обмуровки.

Монтаж и комплектация

Цена на отечественный котел КВм 1.25 МВт с ЗП РПК для отопления включает котельный блок, топку, колосники, вентилятор поддува, вентили, предохранительные клапаны, термометры, манометры, трехходовые краны, паспорт и инструкцию по эксплуатации. Котлоагрегат поставляется блоками максимальной заводской готовности.

Стационарный водогрейный котел 1,25 МВт с забрасывателем ЗП и топкой РПК устанавливается в котельной на специально подготовленную ровную поверхность и закрепляется анкерными болтами. Далее подсоединяется по воде, устанавливается запорная арматура на подводящем и отводящем трубопроводе, устанавливаются предохранительные клапаны, дренажи, воздушники и контрольно измерительные приборы. В воздушный короб по месту врезается вентилятор, монтируется газоход.

Купить котел КВм 1.25 МВт с ЗП РПК

Для того, что бы купить котел 1.25 МВт с топкой ЗП РПК в Курске вы можете сделать заявку в отдел сбыта по телефону 8-800-700-06-43, либо оформить заявку . Менеджеры дадут консультацию по подбору вспомогательного оборудования для выбранных вами моделей и рассчитают стоимость доставки. Транспортирование котлоагрегата и вспомогательного оборудования может осуществляться автотранспортом, ж/д полувагонами и речным транспортом.

Комплект поставки котла КВм 1.25 ЗП РПК

Цена водогрейного котла КВм 1.25 ЗП РПК включает в себя запорную арматуру и КИП в пределах котла, вентилятор поддува и предохранительные клапаны. Ниже приведена подробная информация.

Дополнительное оборудование котла КВм 1.25 ЗП РПК

Для эффективной и надежной работы котла КВм 1.25 ЗП РПК вам потребуется дополнительное оборудование - автоматика, дымосос, золоуловитель, насос сетевой и подпиточный, газоходы и переходники для газового тракта, дымовая труба. Мы предлагаем рассмотреть типовые варианты комплектации. В случае если у вас на объекте имеется насосное и тягодутьевое оборудование, мы можем проверить совместимость котла КВм 1.25 ЗП РПК нашего производства и вашего оборудования. Можем изготовить нестандартные узлы для выполнения быстрого монтажа котла - газоходы и узлы обвязки. Типовую схему монтажа котла вы можете посмотреть во вкладке схемы подключения.

Щит водогрейного котла
Щит водогрейного котла
185000 руб. с НДС

Щит водогрейного котла обеспечивает:

  • ручной пуск котла;
  • ручное управление дутьевым вентилятором, дымососом и насосом;
  • автоматическое поддержание температуры путем управления вентилятором, подающим воздух для горения.

Щит водогрейного котла показывает:

  • температуру воды на выходе из котла;
  • температуру воды на входе в котел.

Щит водогрейного котла автоматическую остановку с индикацией причины аварии при:

  • понижении расхода теплоносителя через котел;
  • понижении и повышении давления на выходе из котла;
  • повышении температуры воды на выходе из котла;
  • понижении разряжения в топке котла.

Элементы для управления вентилятором устанавливаются в щите управления котлом.

Элементы управления дымососом и насосом устанавливаются в электросиловом щите котельной.

TD насос
Насос TD40-36G2 (5.5 кВт)
192700 руб. с НДС
ДН 6.3 дымосос
Дымосос ДН 6,3/1500
101400 руб. с НДС
ЗУ 1.0 золоуловитель
Золоуловитель 1,1
61000 руб. с НДС
  • Компактный золоуловитель для твердотопливных котлов
  • Может устанавливаться как сразу за котлом, так и на улице
  • Универсальная конструкция позволяет организовать выход справа или слева, в зависимости от компоновки газоходов
ДН 8 дымосос
Дымосос ДН 8/1500
217100 руб. с НДС

Монтаж и схемы подключения котла КВм 1.25 ЗП РПК

Водогрейный стальной отопительный котел КВм 1.25 ЗП РПК, предназначен для получения горячей воды номинальной температурой на выходе из котла от 95 до 115 °С рабочим давлением до 0,6 (6,0) МПа (кгс/см), используемой в системах централизованного теплоснабжения на нужды отопления, горячего водоснабжения. Устанавливается в производственных, промышленных и отопительных котельных.

Монтаж и подключение котла КВм 1.25 ЗП РПК

Водогрейный котел с ЗП РПК схема подключения

Схема подключения водогрейного котла с забрасывателем и топкой РПК

Сертификаты и гарантии котла КВм 1.25 ЗП РПК

Водогрейный котел КВм 1.25 ЗП РПК имеет гарантийный срок 24 месяца. Срок работы при соблюдении правил монтажа и эксплуатации оборудования 10 лет.

Водогрейные котлы сертификат
Сертификат на водогрейные котлы
Сертификат на водогрейные котлы на газе и жидком топливе
Сертификат на водогрейные котлы на газе и жидком топливе

Подберите мощность котла для вашего объекта

Тип здания
Регион
Населенный пункт
Наружный объем здания
3)
Отапливаемый подвал
Объем подвала
3)

Отзывы о продукции

Другая похожая продукция

Котел КВм 1.25 ТШПМ
Котел КВм 1.25 с ТШПМ
Максимальная тепловая мощность, МВт 1.25
Топливо Твердое, Уголь
Вид топки ТШПМ, Механическая
Отапливаемая площадь, м² от 10400 до 13600
1 492 000 ₽
Котел с РПК топкой
Котел КВ 1.25 РПК
Максимальная тепловая мощность, МВт 1.25
Топливо Твердое, Уголь
Вид топки Механическая, РПК
Отапливаемая площадь, м² от 10400 до 13600
1 105 000 ₽
КВр котел 1.25 МВт
Котел КВр 1.25
Максимальная тепловая мощность, МВт 1.25
Топливо Твердое, Уголь
Вид топки Ручная, Колосники
Отапливаемая площадь, м² от 10400 до 13600
885 000 ₽
1 300 000 ₽
КВм котел с ЗП РПК
Котел КВм 1.5 ЗП РПК
Максимальная тепловая мощность, МВт 1.5
Топливо Твердое, Уголь
Вид топки ЗП РПК, Механическая
Отапливаемая площадь, м² от 12500 до 16500
1 629 050 ₽